Мечта электрика: AutoCAD Electrical. Кабельный журнал
Прокладка кабеля в кабельных каналах | cad5d
Для чего нужен кабельный журнал?
Кабельный журнал — это таблица, в которой указаны точки подключения кабеля с подробной детализацией (длина кабеля, количество и сечение жил, номера подключаемых портов розеток и панелей и т. д.)
В зависимости от типа и выбранного метода прокладки кабеля допускается использование таких видов кабельных журналов:
- кабельно-трубный журнал методам прокладки трасс;
- кабельный журнал.
В кабельно-трубном журнале указываются точки соединения, номер трассы, кабельный канал по длине трассы, участок длинны этого кабельного канала и количество и сечение жил. Общая длинна, которая указана в кабельном журнале должна быть с учётом запасов на изгибы, а также с учётом запасов со стороны подключаемого и конечного оборудования.

В кабельном журнале по стандарту ISO указано начальные и конечные точки соединения, марка, номер кабеля, общая длинна и детализации по подключаемым объектам (номер патч-панели, номер порта патч-панели и т. д.)

Как составляют кабельный журнал?
По факту монтажа.
На основании данных по факту выполненной работы, соединений оборудования и фактическое количество кабеля, монтажники выдают заполненную таблицу.
Недостатки:
- ручной, долгий подсчёт;
- большая погрешность при использовании измерительных приборов;
- большой неиспользованный остаток кабеля;
- подбор, редактирование рамок.
Преимущества:
- нет затрат на проектирование
Ручной подсчёт, используя CAD и Excel.
Недостатки:
- долгий расчёт;
- неточность расчёта (нет учёта на изгибы, резервы, возможна недостача кабеля), журнал на “глазок”;
- стоимость лицензионной версии CAD системы, сравнима со стоимостью специализированного ПО.
Преимущества:
- расчёт быстрее чем по факту монтажа.
В специализированном программном обеспечении.
Недостатки:
- высокая стоимость некоторых продуктов;
- разбивание по модулям;
- сложность в освоении;
Преимущества:
- кабельный журнал формируется автоматически;
- пересчёт автоматически.
Кабельный журнал в cad5d.
- Автоматический расчёт. Все расчёты программа делает автоматически, исключается человеческий фактор.
- Кабельные журналы формируются автоматически. Отчёты по проекту в cad5d формируются автоматически на основании выполненного чертежа. При внесении правок по проекту, необходимо передвинуть розетку или шкаф, программа автоматически сделает пересчёт.
- Все типы сетей в одной программе. В cad5d нет разбивки по модулям, комплексные проекты по всем коммуникациям в одной программе. Над одним проектом может работать целая команда по разным типам сетей.
- Кабельный журнал по выбранному типу сети. Благодаря многослойности можно посмотреть отчёты по выбранному типу сети (СКС, ОПС, Электрика) или в целом по проекту.
- Работа в онлайне. Проекты можно создавать в онлайн, нет привязки к операционной системе и ПК.
- Приемлемые цены. Благодаря тому, что cad5d является отечественной разработкой, стоимость программы не зависит от курса валют. Возможность годовой, месячной подписки.
- Построение 3d модели проекта. В 3d модели можно показать заказчику, как будет выглядеть его проект, показать места расположения розеток, кабельные каналы в которых проходит кабель. Модель 3d можно вывести на печать в 3d принтере.
- Вывод стандартизированного пакета документов по ГОСТу. В зависимости от выбранного пакета документов (Р, П) программа автоматически создаёт форму в котором содержится вся необходима информация (титульный лист, содержание, пояснительная записка, ведомость чертежей, схема расположения оборудования, спецификация, кабельный журнал по ГОСТу, таблица ip адресов, структурная схема.)

cad5d.ru
Кабельный журнал | ProWoDoc - проектная и рабочая документация
Спецификация - четко регламентированный проектный документ, на который выпущен даже собственный ГОСТ. Но существуют и менее нормированные в плане оформления и заполнения таблицы, которые могут входить в рабочую документацию, причём не в составе общих данных. Примером является кабельный журнал. Что в него включать и как заполнять?
Регламентированная форма кабельного журнала
Упоминание о кабельном журнале в нормативных документах встречается, например, в ГОСТ 21.608-2014 "СПДС. Правила выполнения рабочей документации внутреннего электрического освещения":"5.3.1 Кабельный журнал для питающей и распределительной сетей выполняют по форме 6.
5.3.2 Кабельный журнал для питающей и распределительной сетей допускается не выполнять, если все данные, содержащиеся в кабельном журнале, указаны на принципиальной схеме питающей и распределительной сетей."
Форма 6 - кабельный журнал для питающей и распределительной сетей

Указанная форма 6, имеющая ширину 287 мм, несколько диссонирует с остальными проектными документами, поскольку явно предполагает размещения вдоль длинной стороны формата А4. Соответственно и основную надпись потребуется расположить так же. Последняя редакция ГОСТ Р 21.1101-2013«Система проектной документации для строительства. Основные требования к проектной и рабочей документации», конечно, допускает такое издевательство, но прежние редакции этого не позволяли, что приводило к противоречию между размерами кабельного журнала по ГОСТ 21.608-2014 и расположением листа: без искажений приведённая выше таблица могла быть расположена только на горизонтальном формате А3 с огромным пустым местом рядом с таблицей.
Набор листов или документ?
Прежде чем перейти к ненормированным вариантам кабельных журналов, поясню, в чём же проблема расположения таблицы и основной надписи вдоль длинной стороны формата А4, попутно разбирая варианты включения кабельных журналов в основной комплект.
Как уже было сказано выше, ГОСТ Р 21.1101-2013«Система проектной документации для строительства. Основные требования к проектной и рабочей документации» допускает расположение основной надписи следующим образом:

Давайте посчитаем полезную площадь, которую сможет занять сама таблица. При высоте основной надписи по форме 3 пятьдесят пять миллиметров и высоте рабочего поля листа 210 мм (ширина листа А4) - 20 мм (сверху листа) - 5 мм (снизу листа) = 185 мм. То есть 55 делим на 185 и получаем около 0,3 или 30% съедает штамп (осноная надпись).
Если выполнять основной комплект листами, то на каждом из них будет основная надпись именно по форме 3: ГОСТ Р 21.1101-2013«Система проектной документации для строительства. Основные требования к проектной и рабочей документации», обязательное приложение Ж:
"Форма 3 - Для листов основных комплектов рабочих чертежей, графических документов проектной документации и графических документов по инженерным изысканиям".
Ещё и в общих данных все эти листы следует перечислить. ПОЛИСТНО, а не диапазоном. Готовы? А вот была бы разрешена другая ширина кабельного журнала, можно было бы расположить вдоль короткой стороны формата А3, и уже было бы попроще. Но и это слишком экстравагантно.
Сам собой напрашивается вариант использования маленького штампа - по форме 6 - на последующих листах кабельного журнала. Как правильно его применить? Нередко встречается вариант вынесения кабельного журнала в прилагаемые ДОКУМЕНТЫ. То есть в документ кабельный журнал превратили, но это противоречит сути проектирования: представленная в кабельном журнале информация может быть изображена и на рабочих чертежах. Эта информация выносится в таблицу лишь для удобства её восприятия и работы с ней. Эта информация нужна для выполнения работ, как и все прочие рабочие чертежи, так что отправлять её в прилагаемые неверно.
Поэтому единственный грамотный способ превратить кабельный журнал в документ - это формирование всего основного комплекта из документов в соответствии с ГОСТ Р 21.1101-2013«Система проектной документации для строительства. Основные требования к проектной и рабочей документации»:
"4.2.5 Допускается оформление основного комплекта рабочих чертежей отдельными документами с присвоением им обозначения, состоящего из базового обозначения, марки основного комплекта, и добавлением через точку порядкового номера документа арабскими цифрами.
Пример - 2345-12-Э0.1; 2345-12-Э0.2,
где 2345-12 - базовое обозначение;
ЭО - марка основного комплекта рабочих чертежей;
1, 2 - порядковые номера документов основного комплекта рабочих чертежей.
Первым документом при таком оформлении основного комплекта рабочих чертежей должны быть общие данные по рабочим чертежам."
Напомню, что главный признак документа - уникальное обозначение, не совпадающее с обозначением других документов основного комплекта. Только в этом случае наш кабельный журнал превращается в ТЕКСТОВЫЙ ДОКУМЕНТ, которому позволительно на последующих листах (начиная со второго) иметь основную надпись по форме 6.
"Форма 6 - Для чертежей строительных изделий, эскизных чертежей общих видов нетиповых изделий и всех видов текстовых документов (последующие листы)"
При этом на первом листе будет всё равно основная надпись по форме 3, а не по форме 5. Все эти соображения и лежат в приводимых в конце статьи шаблонах.
Нерегламентированная форма кабельного журнала
Хорошо слаботочникам, выполняющим разделы, для которых нет такого ГОСТа, как приведён в начале статьи. Можно использовать любую форму, которая обеспечивает необходимое представление информации. В конце статьи я предлагаю для скачивания варианты шаблонов кабельного журнала. При желании несложно откорректировать их по своему усмотрению.
Что заносить в эту таблицу, тема дискуссии, можно обсудить. Только не следует путать кабельный журнал с какой-нибудь ведомостью потребности в материалах: почему-то многие считают, что в кабельном журнале следует отображать все сведения о кабелях по данному основному комплекту, и в конце журнала дописывают итоговые данные по кабелям, используемым для кроссировок в шкафах и т.п. Кроме того, представители всевозможных заказчиков постоянно выставляют замечания о том, что количество кабеля по спецификации не соответствует количеству кабеля по кабельному журналу, и приходится в ответах на замечания писать, что дополнительные кабели приведены в перечнях оборудования шкафов. Пример маленького заполненного кабельного журнала из какого-то реального комплекта я использовал для деморолика работы программы суммирования в статье "Программа суммирования SumWord". Комментарии по ролику приведены в последнем абзаце указанной статьи.
Не пугайтесь, если, открыв шаблон "Template_KJ_F3_F6.doc", увидите некоторые линии основной или дополнительной надписи наехавшими на рамку формата. В подавляющем большинстве случаев это издержки отображения графических объектов на экране. Проверяется распечаткой. На всякий случай, как и в статьях с предыдущими шаблонами, я прилагаю не только сам шаблон, но и pdf-копию данного шаблона "Template_KJ_F3_F6.pdf".
В качестве альтернативы представленному выше варианту выкладываю ещё один вариант, который иногда использую: "Template_KJ_F3_F6_A4.doc". Данный вариант кабельного журнала выполнен на формате А4.
Как управлять номерами страниц любого из шаблонов, располагаемыми в правом верхнем углу, описывается в статье "Шаблон WORD со штампами Ф5 и Ф6".
В статье "Формы основной надписи текстовых документов" поясняю, в каких случаях какие штампы (основные надписи) применяются.
Ну и напоследок сообщу, что в шаблоне на третьем формате использован шрифт Arial Narrow, а в формате А4 шрифт Isocpeur. О шрифтах подробнее сказано в статье "Шрифты".
prowodoc.ru
Мечта электрика: AutoCAD Electrical: Кабельный журнал
У меня для вас хорошая новость. Один добрый человек написал дополнительную программу для автоматического формирования кабельного журнала. Программу (cablecon.zip) можно скачать здесь:Файлы нужно сохранить в рабочей директории AutoCAD Electrical.
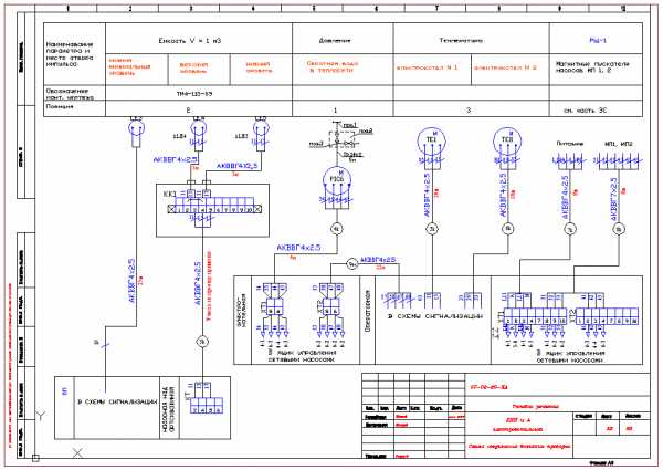
Рассмотрим работу программы на примере схемы соединения внешних проводок.
Кабелям назначена маркировка и каталожные данные. Эта информация будет использована в отчете.
Отчет разместим на отдельном листе, для этого создадим новый лист проекта, используя шаблон кабельного журнала.
Запускаем команду «Отчеты» на панели «Схема».
В диалоге «Отчеты по схемам» выбираем отчет «Таблица подключения внешних проводок» для «Проекта».
Нажимаем кнопку «Формат» и выбираем заранее созданный файл параметров формата отчета – «каб_журнал.set». Нажимаем кнопку ОК.
В диалоге «Отчеты по схемам» имя выбранного файла формата отчета отображается рядом с кнопкой «Формат».
Нажимаем кнопку ОК. Выбираем чертежи проекта для обработки. Выбираем коды мест для включения в отчет. Отображается сформированный отчет.
В отчет включены все жилы кабелей для выбранных кодов мест. То есть сформировался не кабельный журнал, а таблица подключения внешних проводок.
Нажимаем кнопку «Генерация пользовательского отчета».
Ставим флажок для опции «Remove all child cable markers» и нажимаем кнопку ОК. Теперь в отчет включены только «родительские» жилы кабелей.
В диалоге «Формирование отчетов» нажимаем кнопку «Сортировка».
В диалоге «Поля сортировки» в раскрывающемся списке «Первичная сортировка» выбираем «Маркировка» и нажимаем кнопку ОК. Кабели в отчете отсортировались по маркировке.
В диалоге «Формирование отчетов» нажимаем кнопку «Поместить на чертеж».
Настраиваем формирование таблицы, в том числе назначаем высоту текста в таблице и снимаем флажок для опции «Включить заголовки столбцов», так как шапка таблицы размещена в шаблоне чертежа.
Для поля «Определить значения ширины» нажимаем кнопку «Опр».
В диалоге «Ширина столбцов» в поле «Ширина» вводим значение для каждого столбца таблицы и нажимаем кнопку ОК.
В диалоге «Настройка формирования таблицы» нажимаем кнопку ОК и размещаем таблицу на чертеже.
Кабельный журнал готов.
acadedream.blogspot.ru













